|

![]() |
![]() |
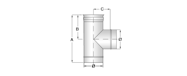
A | B | C | ![]() |
|---|---|---|---|---|---|
| J 60 300 250 300 | 100 | 230 | 130 | 100 | 4 |
| J 60 300 350 300 | 120 | 230 | 130 | 110 | 4 |
| J 60 300 400 300 | 130 | 230 | 130 | 115 | 4 |
| J 60 300 450 300 | 140 | 278 | 154 | 120 | 2 |
| J 60 300 500 300 | 150 | 278 | 154 | 125 | 2 |
| J 60 300 650 300 | 180 | 445 | 245 | 140 | 1 |
| J 60 300 750 300 | 200 | 445 | 245 | 150 | 1 |