Flue pipes for pellet stoves, made of heavy-gauge steel, welded and coated, both inside and out, with PORCELAIN ENAMEL. The exclusive TERM® PORCELAIN ENAMEL coating and a perfect seal between the various elements and combustible gases allow ALA SpA to ensure, for ALA PELLET aeternum flue pipes, colorfastness, greater resistance to acid condensation, high temperatures, scratches, and rust. Each element is complete with its own special triple-lip silicone gasket for a perfect seal of the flue. The line also includes all the items and accessories needed to complete your flue. Available in 80 mm and 100 mm diameters and in matte black and gray. CE certified according to UNI EN 1856-2, UNI EN 1443 standards with pressure class P1, temperature resistance T200* and corrosion resistance class V2. Total thickness 1.5/1.6 mm.

*T250 class with Viton seal also available.

SMOKE DUCTS FOR PELLET STOVES IN HEAVY-DUTY STEEL WITH TRIPLE-LIP SILICONE SEAL

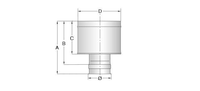
WIND SHIELD ALA INOX MP WITH FEMALE ENTRANCE

Stainless steel AISI 316L element to be placed on top of the smoke duct. It offers a complete protection against bad weather and ensures a correct scavenging of smoke even in case of strong wind.

AVAILABLE COLORS

To order, replace the code in table XX with the number of the desired color

A B C D
J 60 400 150 409 80 250 200 150 180 2
J 60 400 250 409 100 250 200 150 200 1